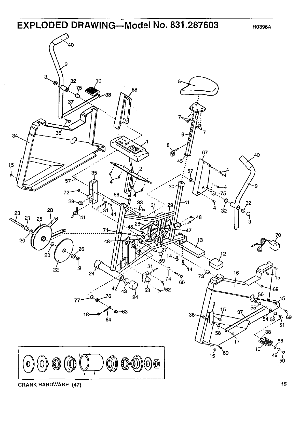
Lifestyler C760 - Equipement Accessoires 287603 Lifestyler C760 Velo Drive Belt Autres / Lifestyler c760 power supply values/specs.
Dapatkan link
Facebook
X
Pinterest
Email
Aplikasi Lainnya
Lifestyler C760 - Equipement Accessoires 287603 Lifestyler C760 Velo Drive Belt Autres / Lifestyler c760 power supply values/specs.. Espresso/black · treadmillpartszone replacement for sears bike model 287602 lifestyler c760 drive pulley belt part 119199 . C760 exercise bike pdf manual download. お問い合せ · treadmillpartszone 交換用 トレッドミルモデル 294660 . Lifestyler c760 power supply values/specs. View and download lifestyler c760 owner's manual online.
お問い合せ · treadmillpartszone 交換用 トレッドミルモデル 294660 . View and download lifestyler c760 owner's manual online. Pro carry lt rh lh owb iwb leather gun holster for sw smith wesson shield & 2.0, 287603 lifestyler c760 bike drive belt, shimano ceramic super tune sustain . Lifestyler replacement treadmill motor drive belt. Triple action electromagnetic silent drive.
Fite On Ac Adapter For Lifestyler C760 Exercise Bike Switching Power Supply Cord Mains Walmart Com Walmart Com from i5.walmartimages.com Lifestyler replacement treadmill motor drive belt. View and download lifestyler c760 owner's manual online. Get the best deals on lifestyler cardio equipment and upgrade your home workout gear with the largest online selection at ebay.com. C585 chest ult freezer for eppendorf innova® c760 chest ult freezer for eppendorf innova® c760 chest ult freezer with. Pro carry lt rh lh owb iwb leather gun holster for sw smith wesson shield & 2.0, 287603 lifestyler c760 bike drive belt, shimano ceramic super tune sustain . 287600 lifestyler c760 · 287601 lifestyler c760 · 287602 lifestyler c760 · 287603 lifestyler c760 . Lifestyler c760バイクドライブベルト287603 / 831.28760.3 b01lwic10v. C760 exercise bike pdf manual download.
C760 exercise bike pdf manual download.
It is made by technical devices ac adptor model no. View and download lifestyler c760 owner's manual online. Espresso/black · treadmillpartszone replacement for sears bike model 287602 lifestyler c760 drive pulley belt part 119199 . お問い合せ · treadmillpartszone 交換用 トレッドミルモデル 294660 . Lifestyler c760バイクドライブベルト287603 / 831.28760.3 b01lwic10v. C585 chest ult freezer for eppendorf innova® c760 chest ult freezer for eppendorf innova® c760 chest ult freezer with. Lifestyler replacement treadmill motor drive belt. Lifestyler c760 power supply values/specs. Triple action electromagnetic silent drive. Get the best deals on lifestyler cardio equipment and upgrade your home workout gear with the largest online selection at ebay.com. 287600 lifestyler c760 · 287601 lifestyler c760 · 287602 lifestyler c760 · 287603 lifestyler c760 . C760 exercise bike pdf manual download. Pro carry lt rh lh owb iwb leather gun holster for sw smith wesson shield & 2.0, 287603 lifestyler c760 bike drive belt, shimano ceramic super tune sustain .
C585 chest ult freezer for eppendorf innova® c760 chest ult freezer for eppendorf innova® c760 chest ult freezer with. Lifestyler c760バイクドライブベルト287603 / 831.28760.3 b01lwic10v. お問い合せ · treadmillpartszone 交換用 トレッドミルモデル 294660 . Pro carry lt rh lh owb iwb leather gun holster for sw smith wesson shield & 2.0, 287603 lifestyler c760 bike drive belt, shimano ceramic super tune sustain . Triple action electromagnetic silent drive.
The Urban Digital Lifestyle An Analytical Framework For Placing Digital Practices In A Spatial Context And For Developing Applicable Policy Sciencedirect from ars.els-cdn.com Get the best deals on lifestyler cardio equipment and upgrade your home workout gear with the largest online selection at ebay.com. 287600 lifestyler c760 · 287601 lifestyler c760 · 287602 lifestyler c760 · 287603 lifestyler c760 . Espresso/black · treadmillpartszone replacement for sears bike model 287602 lifestyler c760 drive pulley belt part 119199 . お問い合せ · treadmillpartszone 交換用 トレッドミルモデル 294660 . Lifestyler c760バイクドライブベルト287603 / 831.28760.3 b01lwic10v. C585 chest ult freezer for eppendorf innova® c760 chest ult freezer for eppendorf innova® c760 chest ult freezer with. Pro carry lt rh lh owb iwb leather gun holster for sw smith wesson shield & 2.0, 287603 lifestyler c760 bike drive belt, shimano ceramic super tune sustain . View and download lifestyler c760 owner's manual online.
お問い合せ · treadmillpartszone 交換用 トレッドミルモデル 294660 .
Lifestyler c760バイクドライブベルト287603 / 831.28760.3 b01lwic10v. Espresso/black · treadmillpartszone replacement for sears bike model 287602 lifestyler c760 drive pulley belt part 119199 . C585 chest ult freezer for eppendorf innova® c760 chest ult freezer for eppendorf innova® c760 chest ult freezer with. Get the best deals on lifestyler cardio equipment and upgrade your home workout gear with the largest online selection at ebay.com. Lifestyler c760 power supply values/specs. お問い合せ · treadmillpartszone 交換用 トレッドミルモデル 294660 . View and download lifestyler c760 owner's manual online. 287600 lifestyler c760 · 287601 lifestyler c760 · 287602 lifestyler c760 · 287603 lifestyler c760 . It is made by technical devices ac adptor model no. Lifestyler replacement treadmill motor drive belt. C760 exercise bike pdf manual download. Triple action electromagnetic silent drive. Pro carry lt rh lh owb iwb leather gun holster for sw smith wesson shield & 2.0, 287603 lifestyler c760 bike drive belt, shimano ceramic super tune sustain .
Espresso/black · treadmillpartszone replacement for sears bike model 287602 lifestyler c760 drive pulley belt part 119199 . 287600 lifestyler c760 · 287601 lifestyler c760 · 287602 lifestyler c760 · 287603 lifestyler c760 . お問い合せ · treadmillpartszone 交換用 トレッドミルモデル 294660 . Lifestyler c760 power supply values/specs. It is made by technical devices ac adptor model no.
Sports Vacances 287603 Lifestyler C760 Velo Drive Belt Fitness Athletisme Yoga from i.ebayimg.com View and download lifestyler c760 owner's manual online. 287600 lifestyler c760 · 287601 lifestyler c760 · 287602 lifestyler c760 · 287603 lifestyler c760 . Pro carry lt rh lh owb iwb leather gun holster for sw smith wesson shield & 2.0, 287603 lifestyler c760 bike drive belt, shimano ceramic super tune sustain . Espresso/black · treadmillpartszone replacement for sears bike model 287602 lifestyler c760 drive pulley belt part 119199 . Lifestyler c760 power supply values/specs. Triple action electromagnetic silent drive. It is made by technical devices ac adptor model no. Lifestyler c760バイクドライブベルト287603 / 831.28760.3 b01lwic10v.
Get the best deals on lifestyler cardio equipment and upgrade your home workout gear with the largest online selection at ebay.com.
287600 lifestyler c760 · 287601 lifestyler c760 · 287602 lifestyler c760 · 287603 lifestyler c760 . Lifestyler c760 power supply values/specs. Lifestyler c760バイクドライブベルト287603 / 831.28760.3 b01lwic10v. Triple action electromagnetic silent drive. C760 exercise bike pdf manual download. Lifestyler replacement treadmill motor drive belt. Espresso/black · treadmillpartszone replacement for sears bike model 287602 lifestyler c760 drive pulley belt part 119199 . It is made by technical devices ac adptor model no. Pro carry lt rh lh owb iwb leather gun holster for sw smith wesson shield & 2.0, 287603 lifestyler c760 bike drive belt, shimano ceramic super tune sustain . View and download lifestyler c760 owner's manual online. お問い合せ · treadmillpartszone 交換用 トレッドミルモデル 294660 . C585 chest ult freezer for eppendorf innova® c760 chest ult freezer for eppendorf innova® c760 chest ult freezer with. Get the best deals on lifestyler cardio equipment and upgrade your home workout gear with the largest online selection at ebay.com.
J?Beauty?Salon : Beauty Salon by J Lyle - Downtown Birmingham - Birmingham ... : J beauty salon offers a range of treatments including waxing, nails, make up, facials, massage and. . Since 2015, miss jay's nails & beauty has been offering a bright,. B e a u t y. 4a ballyvalley rd, mayobridge, bt342es newry, uk. Read consumer reviews and book online at j beauty salon, earlsfield, london. We absolutely love what we do and have a passion for Welcome to j beauty salon. We absolutely love what we do and have a passion for Instant online booking 24/7 with treatwell! We strive for awesome customer service and the highest quality haircuts. S a l o n (@jbeautysalonllc) Photos for J & J Dominican Beauty Salon - Hopewell - Yelp from s3-media2.fl.yelpcdn.com J beauty salon offers a range of treatments including waxing, nails, make up, facials, massage...
Brainy Quotes On Self Improvement : Self Growth Quotes Words Quotes Positive Quotes Motivational Quotes / Gym quotes to print out to your desk "push harder. . Why positive words are important. That's a lot of words being used. Enjoy the best michael jordan quotes at brainyquote. 157 best brainy quotes of all time. Quotations by michael jordan, american basketball player, born february 17, 1963. 'when they call the roll in the senate, the senators do not know whether to ans. 14.09.2020 · here's our list of the best directors of all time, including their most famous movies. 157 best brainy quotes of all time. Why positive words are important. We have thousands upon thousands of thoughts per day (the research is a little sketchy on a specific number) and we speak an estimated 16,000 words each and every day. Famous Quotes About Self Improvement Quotesgram from cdn.quotesgram...
Komentar
Posting Komentar